SB1000z應用范圍包括巡回音樂會、競技場、樂隊/娛樂場所擴聲、大型宗教活動場所,大型禮堂/劇場、舞臺/表演者監聽、鼓組補充監聽、以及大型舞蹈俱樂部。
SB1000z專為配合現今高端數字信號處理而設計,能優化低頻響應。為發揮理想的分頻器功能與均衡功能,建議與MX系列的處理器配合使用。
直接輻射,經優化調節的開口式箱體
屬于高輸出、大規格、性能可靠的超低頻音箱系統
理想適用于巡回音樂會、競技場、樂隊/娛樂場所擴聲、大型宗教活動場所,大型禮堂/劇場、舞臺/表演者監聽、鼓組補充監聽、以及大型舞蹈俱樂部。
子系統:
換能器:超低音2x18英寸,錐盆
負載:箱體開口
功放通道:單功放低頻1/低頻2;雙功放低頻1,低頻2
外部信號處理:DSP帶單通道濾波器
性能
操作范圍(-10 dB, Hz):28-156
軸向靈敏度(1W @ 1m, dB SPL)
超低音:96(全空間)
功率處理/阻抗(W @ 歐姆)
超低音(單功放):1400 @ 4
超低音(并聯功放):2x700 @ 8
計算的最大峰值輸出(dB SPL)
超低音(全空間):133
計算的最大長期輸出(dB SPL)
超低音(全空間):127
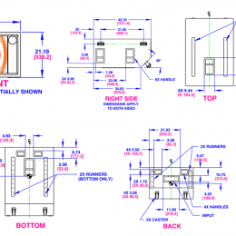
尺寸(英寸/毫米):高度:21.19/538,寬度:29.81/757,深度:42.19/1072
重量(磅/千克):凈重:162/73.5,裝運重量:189/85.7

